Beja

Descrição:

As nossas lindas cabanas /casas de madeira são de alta qualidade e oferecem um espaço ideal tanto para viver, alugar ou para visitas, dando um estilo rustico ou moderno. São lindamente feitas de madeira seca, mas não pintada e não impregnada, proveniente de pinho/abeto nórdico de alta qualidade, de crescimento lento e cuidadosamente trabalhado. Complementam qualquer jardim ou terreno e são todas muito versáteis e elegantes. Todos os nossos modelos já vêm com janelas e portas e todas com vidro duplo ja incluído.

Sizes:

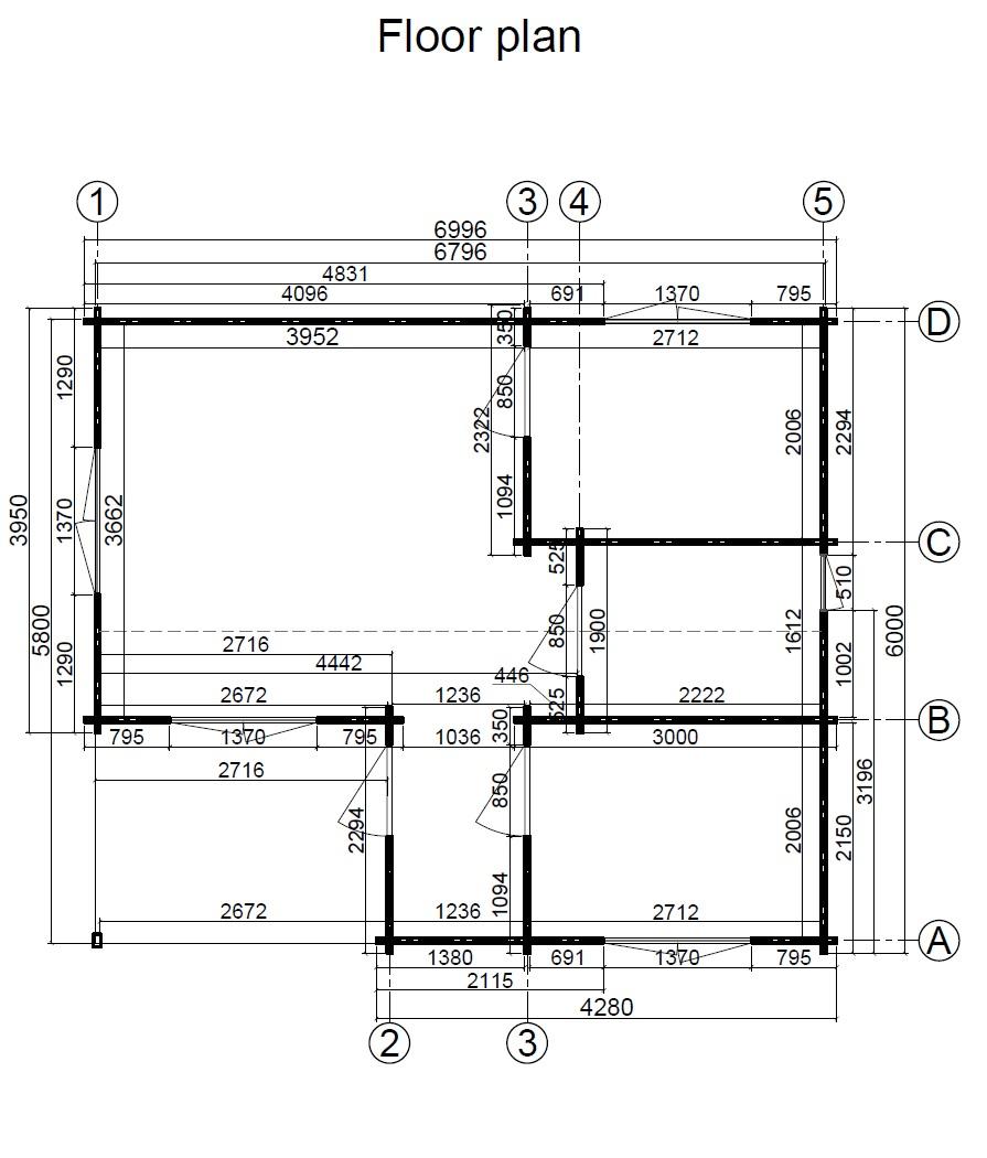
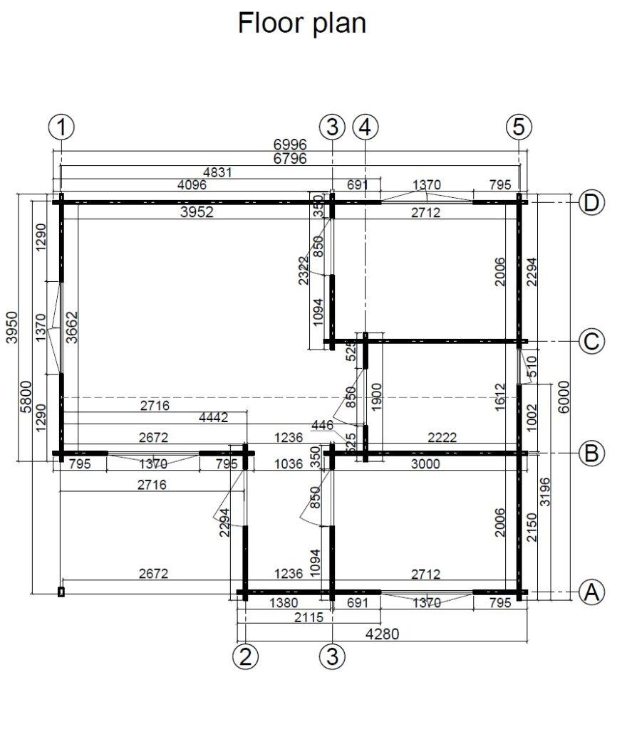
Especificações

  • Troncos de 44mm, duplo T&G, madeira de Spruce;
  • Altura do cume – 3,013m;
  • Altura das paredes – 2,293m;
  • Dimensões externas – 7x6m incluindo terraço;
  • Tamanho da base – 6,79 x 5,8m;
  • Área interna – 32,34m² + 5,42m² terraço;
  • Área do telhado – 45,69m²;
  • Divisória interna de acordo com o plano + 3 portas internas;
  • Porta de entrada única, metade envidraçada, abrindo para fora;
  • 4 janelas duplas, abrindo para fora;
  • 1 janela pequena;
  • Vidro duplo, junta de borracha para estanqueidade à água.

Incluído:

  • Tábuas de telhado, junta de entalhe, min 18-20mm;
  • Tábuas de chão encaixe, min 18-20mm, podem ser encaichadas pelo proprio;
  • Fechadura de cilindro para maior segurança nas portas;
  • Dobradiças ajustáveis para janelas e portas;
  • Pregos e parafusos para instalação;
  • Instruções de instalação;
  • Vigas de fundação impregnadas contra o apodrecimento

Notas:

  • As cabanas são fornecidas desmontadas e podem ser montadas pelo o proprio;
  • O serviço de instalação tem custo adicional;
  • Construção leve de telhado, adequada para telhas de betume, etc. – se pretende utilizar outro tipo de cobertura de telhado, por favor contacte-nos para obter informações adicionais;

    Contacto